Jeep CG 2,7 tõmbab kuskilt õhku küttesüsteemi

Moderaatorid: jr, vtl, Moderators

Vasta
Kasutaja avatar
sass730iA
Rookie
Postitusi: 16
Liitunud: L Dets 27, 2008 9:48 pm
Asukoht: Tallinn

Jeep CG 2,7 tõmbab kuskilt õhku küttesüsteemi

Postitus Postitas sass730iA »

külmade ilmade tulekuga tekkis hommikul käivitusega probleem, peab pikalt starterit käiata, enne kui käivitub, peale käivitamist päeva jooksul ei ole muret autot käivitada, kuid hommikul asi kordub.
- vahetatud kütusefilter, esialgu arvasin, et selles probleem, kuid uue filtriga asi pole muutunud
- kontrollitud küünlad, korras
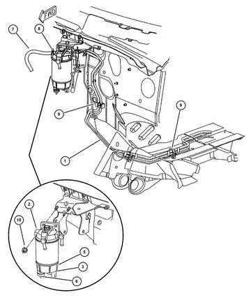
- vahetatud kütusefiltri ja pumba vaheline voolik, koos tihenditega - sinna koguneb õhk öö jooksul, näha õhumulle, samuti õhumulle näha tühikäigul
- vahetatud pumba ja CR vahel oleva vooliku tihendid
- paigaldatud lisatihend kütuse tagasivoolusoojenduse klapile, mis on filtri küljes

ja ikka hommikuti peab pikalt käivitama

küsimus 1, mida võiks veel kontrollida, kust õhuleket otsida
küsimus 2, kuhu töökotta mõistlik antud murega minna, tallinnas
Jeep WJ CRD / E46 / E39 / B4 / E39 / E39 / Bora / E38 / E34 / E36 / E34
Kasutaja avatar
hans
Rock Crawler
Postitusi: 513
Liitunud: E Mär 17, 2008 8:39 pm
Asukoht: Tallinn

Re: Jeep CG 2,7 tõmbab kuskilt õhku küttesüsteemi

Postitus Postitas hans »

Mõõda pihustite tagasivoolud ära. Arvatavasti käivituse probleem mõnes vigases pihustis.
v6sa
I live off from the mud
Postitusi: 2490
Liitunud: R Aug 19, 2005 4:31 pm
Asukoht: Harjumaa lõunapiir

Re: Jeep CG 2,7 tõmbab kuskilt õhku küttesüsteemi

Postitus Postitas v6sa »

sass730iA kirjutas: ...
küsimus 1, mida võiks veel kontrollida, kust õhuleket otsida
küsimus 2, kuhu töökotta mõistlik antud murega minna, tallinnas
1) Vaata üle kogu trass. Ka põhja alt!
2) Lesven OÜ.

Kuidas kontrolliti hõõgküünlaid?
Potsu, Krooks, GLK, Frontud ja hübriidruss veavad enamasti kõigi ratastega. Üldiselt olen rahul...
Kasutaja avatar
puhvel
I live off from the mud
Postitusi: 2248
Liitunud: E Apr 16, 2012 7:34 pm

Re: Jeep CG 2,7 tõmbab kuskilt õhku küttesüsteemi

Postitus Postitas puhvel »

Kas see kütuse tagasivooluklapp üldse peab, et tagasi ei vajuks ?
XC 70
Kasutaja avatar
Milo78
Mudder
Postitusi: 89
Liitunud: E Mär 31, 2014 8:05 pm
Asukoht: Viimsi

Re: Jeep CG 2,7 tõmbab kuskilt õhku küttesüsteemi

Postitus Postitas Milo78 »

puhvel kirjutas:Kas see kütuse tagasivooluklapp üldse peab, et tagasi ei vajuks ?
Mul nagu tead 3.1 võin öelda, et mul oli neid klappe kaks vahel need peavad küll kuid ei aita ega lahenda probleemi mul lekkis 3.1 kütusefiltri käsipumba vahelt nii, et klapid muidu iseenensest töötavad kuid lahendus siiski tuleb vigase jupi väljavahetamisest ehk siis minul uus kütusefiltri ülemine osa 200 tubrikud ja klapid lendasid suure kaarega prügikasti, nagu mulle ükskord torulukksepp ütles, minu küsimuse peale "kas torud vett peavad,ei leki"- vastus oli lihtne vesi leiab alati koha kust välja tulla ära muretse...diislil õhuga ilmselt sama teema :D
Viimati muutis Milo78, R Okt 30, 2015 10:30 am, muudetud 2 korda kokku.
me oleme kõik targad tööpäeva lõpuni.
kontrolllask pähe vabastab teid probleemesetest küsimustest.
Kasutaja avatar
puhvel
I live off from the mud
Postitusi: 2248
Liitunud: E Apr 16, 2012 7:34 pm

Re: Jeep CG 2,7 tõmbab kuskilt õhku küttesüsteemi

Postitus Postitas puhvel »

Milo78 kirjutas:
puhvel kirjutas:Kas see kütuse tagasivooluklapp üldse peab, et tagasi ei vajuks ?
Mul nagu tead 3.1 võin öelda, et mul oli neid klappe kaks vahel need peavad küll kuid ei aita ega lahenda probleemi mul lekkis 3.1 kütusefiltri käsipumba vahelt nii, et klapid muidu isenensest töötavad kuid lahendus siiski tuleb vigase jupi väljavahetamisest eks siis minul uus kütusefiltri ülemine osa 200 tubrikud ja klapid lendasid suure kaarega prügikasti, nagu mulle ükskord toruluksepp ütles, minu küsimuse peale "kas torud vett peavad" ei leki- vastus oli lihtne vesi leiab alati koha kust välja tulla ära muretse...diislil õhuga ilmeslt sama teema :D
Veidi OT aga kust sebisid ülemise osa, see siis koos uue käsipumbaga ?
Otsisin kunagi rem komplekti, mansetid, tihendid, ei leidnud.
XC 70
Kasutaja avatar
Milo78
Mudder
Postitusi: 89
Liitunud: E Mär 31, 2014 8:05 pm
Asukoht: Viimsi

Re: Jeep CG 2,7 tõmbab kuskilt õhku küttesüsteemi

Postitus Postitas Milo78 »

puhvel kirjutas:
Milo78 kirjutas:
puhvel kirjutas:Kas see kütuse tagasivooluklapp üldse peab, et tagasi ei vajuks ?
Mul nagu tead 3.1 võin öelda, et mul oli neid klappe kaks vahel need peavad küll kuid ei aita ega lahenda probleemi mul lekkis 3.1 kütusefiltri käsipumba vahelt nii, et klapid muidu isenensest töötavad kuid lahendus siiski tuleb vigase jupi väljavahetamisest eks siis minul uus kütusefiltri ülemine osa 200 tubrikud ja klapid lendasid suure kaarega prügikasti, nagu mulle ükskord toruluksepp ütles, minu küsimuse peale "kas torud vett peavad" ei leki- vastus oli lihtne vesi leiab alati koha kust välja tulla ära muretse...diislil õhuga ilmeslt sama teema :D
Veidi OT aga kust sebisid ülemise osa, see siis koos uue käsipumbaga ?
Kaks nädalat peale tellimist veidi higitamist ja TOP Partsi kaudu selle vidina kätte sain
filter.jpg
filter.jpg (25.59 KiB) Vaadatud 4041 korda
filter.jpg
filter.jpg (25.59 KiB) Vaadatud 4041 korda
n nb algul mõtlesin, et tellin kogu kupatuse "terve filtri süsteemi, koos alumise kütuse soojendajaga, aga jalad läksid nõrgaks kui sain hinnapakkumise

Pilt manuses,

Osadele ostuhinnad tellides:

Nr.2 - 190.30

Nr.3 – 42.20

Nr.5 – 285.01

Filter 22.57

Sellele nn filtrisüsteemile ei ole remkomplekti on erinevad komponendid enamasti Mopari toodang vähemalt mina sain selle firma oma- :!: ise rahul.
me oleme kõik targad tööpäeva lõpuni.
kontrolllask pähe vabastab teid probleemesetest küsimustest.
Kasutaja avatar
sass730iA
Rookie
Postitusi: 16
Liitunud: L Dets 27, 2008 9:48 pm
Asukoht: Tallinn

Re: Jeep CG 2,7 tõmbab kuskilt õhku küttesüsteemi

Postitus Postitas sass730iA »

puhvel kirjutas:Kas see kütuse tagasivooluklapp üldse peab, et tagasi ei vajuks ?
tükk aega pole teemaga tegelnud, lasin õhutusklapist kütust mõni aeg voolata pudelisse ja tundus nagu aitas, kuid täna hommikul käis ringi, kuid ei käivitunud, täispaak kütust
- tagasivoolu klapp oli samuti kahtluse all, sai vahetatud
- pihustitest tagasivoolude kontrolli järgi kõik pihustid peavad võrdeliselt, suurt midagi välja ei tulnud

kas "mbabi" on mõistlik koht, kuhu minna diagnostikale?
Jeep WJ CRD / E46 / E39 / B4 / E39 / E39 / Bora / E38 / E34 / E36 / E34
v6sa
I live off from the mud
Postitusi: 2490
Liitunud: R Aug 19, 2005 4:31 pm
Asukoht: Harjumaa lõunapiir

Re: Jeep CG 2,7 tõmbab kuskilt õhku küttesüsteemi

Postitus Postitas v6sa »

sass730iA kirjutas: ... suurt midagi välja ei tulnud

kas "mbabi" on mõistlik koht, kuhu minna diagnostikale?
Mitu ml see mõõdetavates ühikutes tegi?

MB abi oskab veakoode lugeda küll. Kas nad reaalselt jeebusele abi pakkuda suudavad, on juba kahtlasem. :roll:

Lesvenis on liiga paikad järjekorrad?
Potsu, Krooks, GLK, Frontud ja hübriidruss veavad enamasti kõigi ratastega. Üldiselt olen rahul...
Kasutaja avatar
sass730iA
Rookie
Postitusi: 16
Liitunud: L Dets 27, 2008 9:48 pm
Asukoht: Tallinn

Re: Jeep CG 2,7 tõmbab kuskilt õhku küttesüsteemi

Postitus Postitas sass730iA »

jah, selgus, et mbabi ei tee jeep'idele diagnostikat
lesvenist pikk järjekord
hetkel toppartsil oli lähim aeg

tagasivoolust tuli silma järgi 5-10 ml kokku )
Jeep WJ CRD / E46 / E39 / B4 / E39 / E39 / Bora / E38 / E34 / E36 / E34
Kasutaja avatar
sass730iA
Rookie
Postitusi: 16
Liitunud: L Dets 27, 2008 9:48 pm
Asukoht: Tallinn

Re: Jeep CG 2,7 tõmbab kuskilt õhku küttesüsteemi

Postitus Postitas sass730iA »

diagnostika tulemuseks 2 pihustit vahetusse...
Jeep WJ CRD / E46 / E39 / B4 / E39 / E39 / Bora / E38 / E34 / E36 / E34
puukas
Got ARB and Nitrous?
Postitusi: 165
Liitunud: N Veebr 22, 2007 5:24 pm

Re: Jeep CG 2,7 tõmbab kuskilt õhku küttesüsteemi

Postitus Postitas puukas »

Viga kadunud ja käivitub ilusti nüüdseks?
Vasta

Mine “Chrysler / Jeep / Wrangler”