Tervitus
Toyota 4Runner Limited, 3.4L (1996).
Armatuurlaual põleb tuluke “Engine Check”.
Elke Autost sain teada veakoodi numbri, kahjuks ei osatud täpset seletust vea põhjustajale anda. Diagnostika veakood on P0441.
Niipalju kui internetist otsisin, siis sain aru, et viga võib olla lekkivates vaakumtorudes, bensiinipaagi korgis, VSV klapis, ...
Kas keegi oskaks soovitada Tallinnas autoteenindust, kus saaks välja selgitada selle veakoodi põhjustaja(d) ja vea põhjuse kõrvaldada?
Kas see viga võib põhjustada ka suuremat kütusekulu?
jakk
4Runner 1996, Diagnostika + remont
Moderaatorid: jr, Moderators
4Runner 1996, Diagnostika + remont
- jakk -
Re: 4Runner 1996, Diagnostika + remont
Tänud privasse tulnud vihje eest!
Aga kutsuti tagasi Elkesse ja nüüd leiti ka tõenäoline vea põhjustaja üles.
Voolikud olid korras, söekanister korras, aga üks vaakumklapp oli kinni jäänud.
Praegu sai sama klapi tööle, aga kui uuesti jantima hakkab, siis vahetusse, hind 86€.
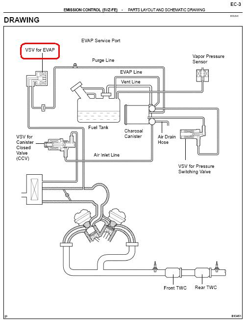
Lisatud joonistel on näidatud, et mis klapiga tegu.
Aga kutsuti tagasi Elkesse ja nüüd leiti ka tõenäoline vea põhjustaja üles.
Voolikud olid korras, söekanister korras, aga üks vaakumklapp oli kinni jäänud.
Praegu sai sama klapi tööle, aga kui uuesti jantima hakkab, siis vahetusse, hind 86€.
Lisatud joonistel on näidatud, et mis klapiga tegu.
- Manused
-
- EVAP2.JPG (41.66 KiB) Vaadatud 1571 korda
-
- EVAP.JPG (66.83 KiB) Vaadatud 1571 korda
- jakk -