Jeep grand cherokee wj vasak park tuli
Moderaatorid: jr, vtl, Moderators
Jeep grand cherokee wj vasak park tuli
Hey. Tekkinud on probleem seoses 2004 a grand cherokee wj, nimelt sai veetud käru millel oli arvatvasti pistik vigane ja peale seda ei tööta enam vasak poolne tagumine park tuli ja numbri tuled. Niipalju kui olen vaatanud siis juhi jalge juures kaitsmed terved, pirnid terved.
Äkki oskaks keegi targem mind suunata kust veel viga otsida või täpsemalt juhendada mis kaitsme juurde minna. Enne seda töötas kõik ilusti.
Parimat, hardy
Äkki oskaks keegi targem mind suunata kust veel viga otsida või täpsemalt juhendada mis kaitsme juurde minna. Enne seda töötas kõik ilusti.
Parimat, hardy
-
margus61
- Zootramm
- Postitusi: 724
- Liitunud: N Okt 19, 2006 12:02 pm
- Asukoht: Tallinn-Nõmme & Noarootsi
Re: Jeep grand cherokee wj vasak park tuli
Pühakiri ütleb, et pargid on kõik koos ühe kaitsme F6 all:
http://www.wjjeeps.com/fuses.htm
Kui ülejäänud gabariidid põlevad, siis ilmselt on see kaitse terve ja viga peaks otsima mittepõlevate tulede kaabelduse poolelt?
http://www.wjjeeps.com/fuses.htm
Kui ülejäänud gabariidid põlevad, siis ilmselt on see kaitse terve ja viga peaks otsima mittepõlevate tulede kaabelduse poolelt?
Re: Jeep grand cherokee wj vasak park tuli
margus61 kirjutas:Pühakiri ütleb, et pargid on kõik koos ühe kaitsme F6 all:
http://www.wjjeeps.com/fuses.htm
Kui ülejäänud gabariidid põlevad, siis ilmselt on see kaitse terve ja viga peaks otsima mittepõlevate tulede kaabelduse poolelt?
Okei, ma saan ka sellest ilusti aru, aga miks peale käru pistiku ühendamist ainult üks tagumine ei põle ja numbrid samuti? Parem pool töötab ilusti, ja enne käru vedamist põlesid kõik.
Re: Jeep grand cherokee wj vasak park tuli
Mis sul pistikus puudu on, kas mass või pluss?
Re: Jeep grand cherokee wj vasak park tuli
Vaata, kust need käru juhtmed tulevad ja sa leiad oma hädale lahenduse. Ma arvan, et need käru juhtmed on kiirühendus klemmidega ühendatud ja seal see kala ongi.
Me oleme kõik võhikud,ainult erinevates valdkondades.
Re: Jeep grand cherokee wj vasak park tuli
Sai täna siis otsitud käru pistiku juhtmed üles, seal ilusti kokku joodetud kõik, ja kõik tundub hea. Vaatasin ka igaksjuhuks uuesti park tule ja nunbri tulede pirnid üle. Kõik terved, sai ka uuesti kaitsmeid vaadatud, nr 6, nr 18 kõik ilusti terved. Võtad nr 6 välja, panen pargid põlema ja lükkan kaitsme sisse tagasi on ilusti kuulda kui relee saab voolu peale ja ees hakkavad pargid põlema.ibra kirjutas:Vaata, kust need käru juhtmed tulevad ja sa leiad oma hädale lahenduse. Ma arvan, et need käru juhtmed on kiirühendus klemmidega ühendatud ja seal see kala ongi.
Noo enam tõesti ei oska kusgilt poolt asjale läheneda
Re: Jeep grand cherokee wj vasak park tuli
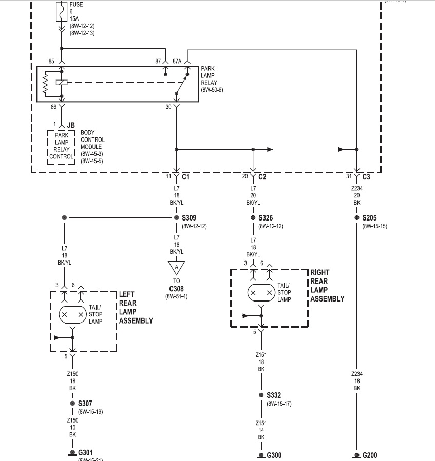
Kontrolli kas kaitsmekarbist vool välja jõuab, pistik C1 pin 11
- Manused
-
- c5.jpg (181.36 KiB) Vaadatud 3048 korda
-
- c4.jpg (41.89 KiB) Vaadatud 3048 korda
-
- c3.jpg (93.07 KiB) Vaadatud 3048 korda
MB S205 C220 d 4Matic 2016
KAWASAKI Z900 2020


KAWASAKI Z900 2020


Re: Jeep grand cherokee wj vasak park tuli
Noniii, sai mure õnneks nüüd lahendatud.
Võib teema lukku panna.
Probleem seisnes siiski läbi põlenud kaitsmes, mille keegi oli vedanud eraldi salongi kaitsme ploki taha. Tekkis siiski ainult küsimus et miks on olnud vaja kellegil seda teha.
Patimat, hardy.
Võib teema lukku panna.
Probleem seisnes siiski läbi põlenud kaitsmes, mille keegi oli vedanud eraldi salongi kaitsme ploki taha. Tekkis siiski ainult küsimus et miks on olnud vaja kellegil seda teha.
Patimat, hardy.
laf1247 kirjutas:Kontrolli kas kaitsmekarbist vool välja jõuab, pistik C1 pin 11