Roolisamba loks

Moderaatorid: Maasturid, Moderators

Kasutaja avatar
CaveMan
Rock Crawler
Postitusi: 959
Liitunud: P Dets 12, 2010 10:51 pm
Asukoht: Tallinn ja Peetri
Kontakt:

Roolisamba loks

Postitus Postitas CaveMan »

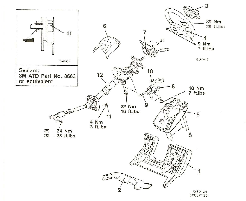
II gen Pajerol on väike roolisamba loks. Kui roolirattast mõõta, siis umbes 1 cm. Kas on mingi kindel koht, kuhu selline loks tekkida võib ning kas sellisel juhul vajab mõni detail vahetust või annab midagi peale keerata?
Küsimus sellepärast oluline, et ei tahaks asja maha kiskuda ja siis juppe otsima hakata vaid kogu töö ühe päevaga ära teha, et auto seisma ei jääks. Või oleks siis mõistlik võtta romulast terve roolisammas?

Loks on siis kuskil nende detailide hulgas:

Pilt
Mitsubishi Pajero ´00 GLS, 2,8TD Aut. - 33'' BFG AT - Come Up DV-9
Kasutaja avatar
CaveMan
Rock Crawler
Postitusi: 959
Liitunud: P Dets 12, 2010 10:51 pm
Asukoht: Tallinn ja Peetri
Kontakt:

Re: Roolisamba loks

Postitus Postitas CaveMan »

Kuna loks on kardaani (kui seda nii nimetada võib) ja rooliratta vahel ning kui nüüd hoolikalt pilti vaadata, siis ilmselt ei saa loks mujal olla kui roolipoolses "kardaaniristis", kuna see tundub ainus koht olema ja ülejäänud on nuutkinnitused. Pildil ringiga.

Kas see "kardaanirist" on (koduste vahenditega) vahetatav või tasub võtta ikkagi romulast terve, ilma loksuta, kradaan?

Pilt
Mitsubishi Pajero ´00 GLS, 2,8TD Aut. - 33'' BFG AT - Come Up DV-9
Kasutaja avatar
LR90
I live off from the mud
Postitusi: 1521
Liitunud: T Dets 28, 2004 1:55 pm
Asukoht: Kunda taga metsas 5111459

Re: Roolisamba loks

Postitus Postitas LR90 »

Sama kardaani teises otsas on ka rist mis võib loksuda.
kui suureks saan, hakkan DEFENDERIKS
Kasutaja avatar
CaveMan
Rock Crawler
Postitusi: 959
Liitunud: P Dets 12, 2010 10:51 pm
Asukoht: Tallinn ja Peetri
Kontakt:

Re: Roolisamba loks

Postitus Postitas CaveMan »

LR90 kirjutas:Sama kardaani teises otsas on ka rist mis võib loksuda.
Seal võib samuti olla jah aga ülemisel on kindlasti, kuna kui võtta ühe käega kardaanist kinni ja teise käega liigutada rooli, siis on kahe käe vahel loks.

Kas see kardaan on vahetatav ilma, et salongipoolset roolisamba osa peaks maha keerama või tuleb kogu kupatus maha keerata?
Mitsubishi Pajero ´00 GLS, 2,8TD Aut. - 33'' BFG AT - Come Up DV-9
Kasutaja avatar
LR90
I live off from the mud
Postitusi: 1521
Liitunud: T Dets 28, 2004 1:55 pm
Asukoht: Kunda taga metsas 5111459

Re: Roolisamba loks

Postitus Postitas LR90 »

Nii karbi pool kui ka samba pool on nuutühendus,
keskelt peaks kardaan kokku käima.
Tõmbad nuutidest maha ja ongi käes.
kui suureks saan, hakkan DEFENDERIKS
Kasutaja avatar
helar
I live off from the mud
Postitusi: 2522
Liitunud: T Jaan 12, 2010 4:13 pm
Asukoht: Vääna Jõesuu

Re: Roolisamba loks

Postitus Postitas helar »

90% sureb esimesena, ning hakkab lõtkuma, alumine rist. Ehk see mees kes elab väljas, vahetult enne latti.
Mõõdu järgi saadav ja koduste vahenditega vahetatav.
Enne kui kallale lähed fikseeri rool luku või turvavööga ,et airbagi linti ära ei lõhuks.
Y61 Pätcruiser , LC80 .
Kuni autopesuni on offroad lahe...
Autoremont Tallinnas. http://www.heinworks.ee
Kasutaja avatar
CaveMan
Rock Crawler
Postitusi: 959
Liitunud: P Dets 12, 2010 10:51 pm
Asukoht: Tallinn ja Peetri
Kontakt:

Re: Roolisamba loks

Postitus Postitas CaveMan »

helar kirjutas:90% sureb esimesena, ning hakkab lõtkuma, alumine rist. Ehk see mees kes elab väljas, vahetult enne latti.
Mõõdu järgi saadav ja koduste vahenditega vahetatav.
Enne kui kallale lähed fikseeri rool luku või turvavööga ,et airbagi linti ära ei lõhuks.
Tänan asjaliku info eest! Kust ma saan mõõdu ja/või kust saan uued ristid? Tahaks enne suveõitu sellest lõksust lahti saada. Maastikul häirib see lõtk käte all.
Mitsubishi Pajero ´00 GLS, 2,8TD Aut. - 33'' BFG AT - Come Up DV-9
Kasutaja avatar
helar
I live off from the mud
Postitusi: 2522
Liitunud: T Jaan 12, 2010 4:13 pm
Asukoht: Vääna Jõesuu

Re: Roolisamba loks

Postitus Postitas helar »

Risti pead auto küljes ära mõõtma.
Detaili müüb näiteks Japkor ,Mustmäe teel.
Y61 Pätcruiser , LC80 .
Kuni autopesuni on offroad lahe...
Autoremont Tallinnas. http://www.heinworks.ee
Kasutaja avatar
CaveMan
Rock Crawler
Postitusi: 959
Liitunud: P Dets 12, 2010 10:51 pm
Asukoht: Tallinn ja Peetri
Kontakt:

Re: Roolisamba loks

Postitus Postitas CaveMan »

Auto peal risti mõõtmine ei õnnestunud kuidagi. Selleks oleks tulnud hulka juppe eest ära keerata aga ei viitsinud seda ainult mõõtmise eesmärgil ette võtta.
Kuna Viimsi Carstopis oli erinevate, potensiaalselt õigete, mõõtudega riste laos olemas, siis lasin seal ära vahetada.

Ühtlasi on nüüd ka teada risti mõõt: 15x38
Ning kui keegi tahab ise osta ja vahetada, siis Kadaka Taketis on need laokaup hinnaga 11,18 €

P.s. loksust päris lahti ikkagi ei saanud. Ilmselt loksub ka kõige ülemine, rooli tagune, rist.
Mitsubishi Pajero ´00 GLS, 2,8TD Aut. - 33'' BFG AT - Come Up DV-9
jaan mmc
I live off from the mud
Postitusi: 1615
Liitunud: E Jaan 14, 2008 5:04 pm

Re: Roolisamba loks

Postitus Postitas jaan mmc »

Pajero2-l, pidime kord rooli all miskit kinnikeerama või laagri pessa tagasi panema. Vot ei meenu enam, mis seal täpselt oli aga varuosade ega samba mahavõtmis vajadust polnud. Tollel loksus rooliratas igas, va. pöörlemis suunas.
Kasutaja avatar
CaveMan
Rock Crawler
Postitusi: 959
Liitunud: P Dets 12, 2010 10:51 pm
Asukoht: Tallinn ja Peetri
Kontakt:

Re: Roolisamba loks

Postitus Postitas CaveMan »

jaan mmc kirjutas:Tollel loksus rooliratas igas, va. pöörlemis suunas.
Mul loksub ikka pöörlemise suunas.
Mitsubishi Pajero ´00 GLS, 2,8TD Aut. - 33'' BFG AT - Come Up DV-9
Kasutaja avatar
MartM
Mudder
Postitusi: 73
Liitunud: R Dets 07, 2012 9:20 pm

Re: Roolisamba loks

Postitus Postitas MartM »

Mul sama asi, et kui keeran rooli, siis käib mingi ebamugav 'naks - naks'. Rool keerab küll, ja loksu siiski nagu ei tundu olevat. Aga kui seistes või maastikul mõllates vasakul paremale,seistes, siis teeb rool 'naks naks'. Ebamugav lugu, kas nüüd roolikarbi kallale?
Kasutaja avatar
honduras
Fitting 38"
Postitusi: 305
Liitunud: R Jaan 14, 2011 11:54 am
Asukoht: Tartumaa Lääniste

Re: Roolisamba loks

Postitus Postitas honduras »

Seda naksumist võib põhjustada kuivale jäänud roolisamba nuutühendus.
Mets on teine kodu.
Monsterauto Box OÜ
Tel: 5291051
Pleku
Got ARB and Nitrous?
Postitusi: 192
Liitunud: N Apr 16, 2009 5:15 pm
Asukoht: Harju

Re: Roolisamba loks

Postitus Postitas Pleku »

Mul vajas vahetamist roolikarbi alune pendelhoob, peale seda ujumised kadusid! Tollal omas reas lihtsalt polnud võimalik püsida! Gaasiga sai hoob soojaks aetud, muidu raip ei tulnud maha.
jaan mmc
I live off from the mud
Postitusi: 1615
Liitunud: E Jaan 14, 2008 5:04 pm

Re: Roolisamba loks

Postitus Postitas jaan mmc »

Pleku kirjutas:Mul vajas vahetamist roolikarbi alune pendelhoob, peale seda ujumised kadusid! Tollal omas reas lihtsalt polnud võimalik püsida! Gaasiga sai hoob soojaks aetud, muidu raip ei tulnud maha.
Tulega tuleb ettevaatlik olla, võib rikkuda kaelustihendi. Karbipoolne silma võiks pigem relakaga lahti lõigata.
Vasta

Mine “Mitsubishi”